Bildegalleri
Elmotor - Girmotor
Til salgs
Frakt fra 99 kr + Trygg betaling 60 kr
Trygg handel med Fiks ferdig
Varen sendes til deg, og du har 24 timer til å inspisere den før pengene overføres til selgeren.
Beskrivelse av varen
Elektromotorer med gir til salgs:
Alle er 230Volt, 1-fas.
Priser:
"Shaded pole" motorer
Små motorer: Kr. 650 inkl. mva.
Mellomstore: GF serie/KGR serie: Kr. 750 inkl. mva
Heavy duty, type KGA serie: Kr. 900 inkl. mva.
Induksjonsmotorer:
15Watt + gir Kr. 600+575=1.175 inkl. mva
25Watt + gir Kr 700+575=1.275 inkl. mva
40Watt + gir Kr 800+640=1.440 inkl mva
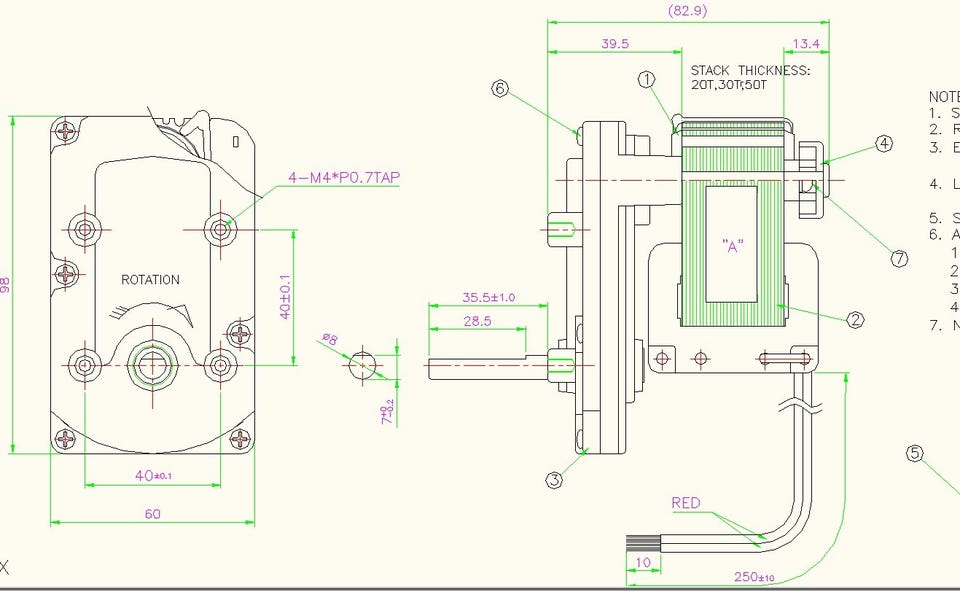
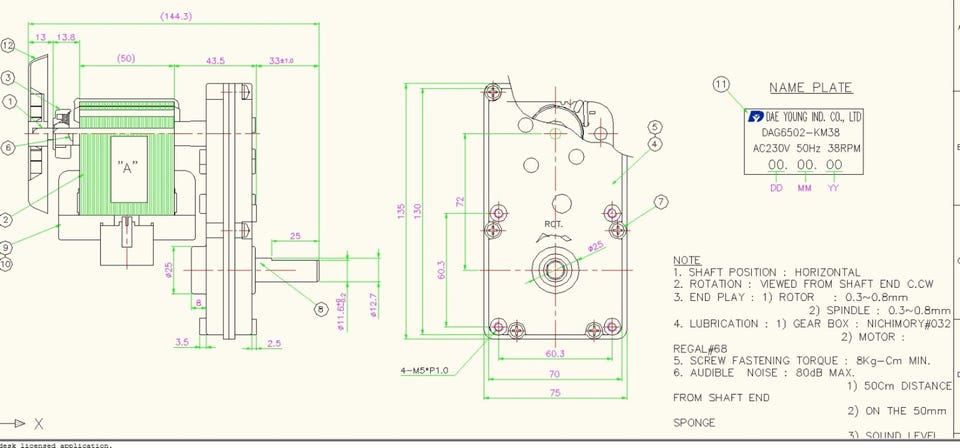
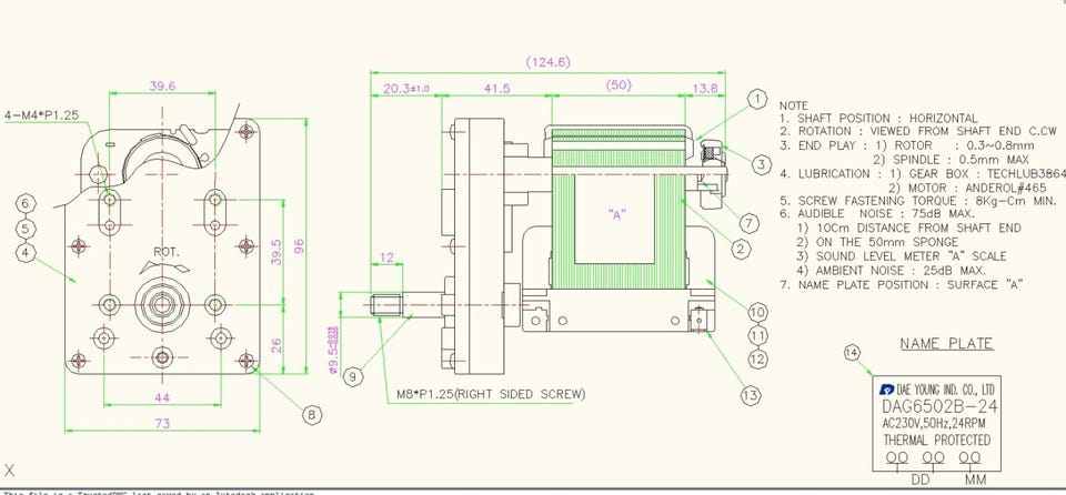
Generelle opplysninger: se bilder for spesifikasjoner
Induksjonsmotorer:
Dette er kvalitetsmotorer som er produsert i Korea under ulike produktnavn, for eksempel GGM og SPG. Motorene er på lager i 3 størrelser og man velger girkasse separat. Man må ikke se seg blind på effekten 15, 25 og 40 Watt, det er utgående moment og turtall som betyr noe, motorkraften er mye større enn antall Watt tilsier i forhold til andre motorer.
Meget stillegående og girkassen er kulelagret, det betyr at utgående aksling tåler noe mer enn med standard lagring.
Motorer leveres med kondensator og kan kobles til å kjøre begge retninger. Motor må stanses helt opp dersom man skal kunne reversere motor på bryter da den ikke har innebygget brems.
http://www.ggm.co.kr/eng/product/ac/AC_Induction.asp
Se evt. http://www.spg.co.kr/SPG_MATERIAL/MATERIAL_PRODUCT/PRODUCT_INDEX.ASPX?Hd_KCODE=030901010000
DaeYoung motorer (GGM/SPG)
Såkalt ”Shaded pole” induksjonsmotorer. Meget bra kvalitet og holdbare dersom man ikke belaster motoren mer enn tillatt belastning. Snur man spolen på motor, vil rotasjonsretning endres.
Motoren brukes i ulike kjøkkenmaskiner, bakeriutstyr, pelletsovner, pumper, etc.
Ytterligere spesifikasjoner etc. finner man her: http://www.ggm.co.kr/eng/product/ac/AC_ShadedPoleInduction_KA.asp
Her finnes tilsvarende spesifikasjoner: http://www.spg.co.kr/SPG_MATERIAL/MATERIAL_PRODUCT/PRODUCT_INDEX.ASPX
Merkle-Korrf (USA)
Anerkjent fabrikant av ”shaded pole motorer”.
Nettside er http://www.merkle-korff.com/
Dessverre finnes ikke spesifikasjoner på motorene å laste ned fra nettsiden da disse blir kopiert av andre fabrikker. I oppstillingen på bilde henvises til alternativt fabrikat SPG eller GGM og på deres nettsider finner man spesifikasjoner som tilsvarer noenlunde Merkle-Korff.
Brukerprofil
Du må være logget inn for å se brukerprofiler og sende meldinger.
Logg innAnnonsens metadata
Sist endret: 25.2.2025 kl. 08:42 ・ FINN-kode: 69882894





















