Bildegalleri
(1/3)
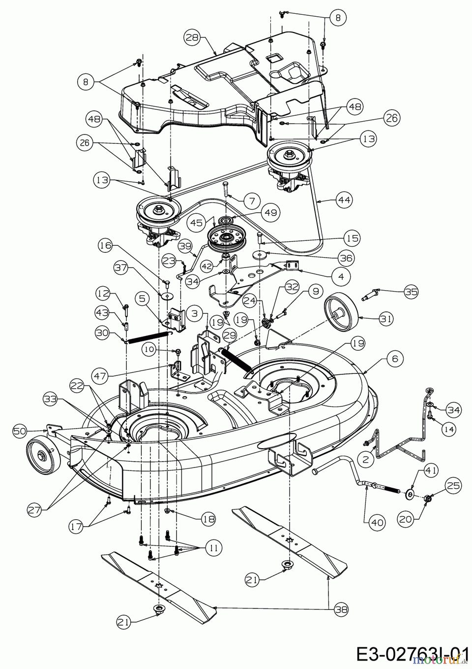
Mower deck / gressklipping til hagetraktor
Solgt
Til salgs
1 000 kr
Beskrivelse av varen
Tilstand: Pent brukt - I god stand
Brukt 1 gang. Skrudd av traktoren og alle deler medfølger. Gressklipper koblet til motoren på traktoren. NB! Traktoren selges ikke.
Fulgte med MTD Special Edition LT 96 EXT.
NB: Knappen for å vise hele beskrivelsen har kun en visuell effekt.
Brukerprofil
Du må være logget inn for å se brukerprofiler og sende meldinger.
Logg innAnnonsens metadata
Sist endret: 1.4.2026 kl. 12:56 ・ FINN-kode: 458136637
Utforsk våre nye sider for klær og mote
Ta en titt

