Bildegalleri
(1/3)
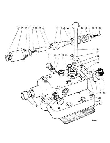
Kjøper David Brown to-veis hydraulikkventil/sentral
Ønskes kjøpt
Beskrivelse av varen
Tilstand: Godt brukt - Synlig brukt
Kjøper David Brown to-veis hydraulikkventil / sentral, spool valve
David Brown 995, 996, 1210, og flere. Disse er visst like helt opp til 880 til 1694.
Jeg trenger i utgangspunktet ikke bunnplaten eller topplokket.
NB: Knappen for å vise hele beskrivelsen har kun en visuell effekt.
Brukerprofil
Du må være logget inn for å se brukerprofiler og sende meldinger.
Logg innAnnonsens metadata
Sist endret: 12.9.2025 kl. 13:38 ・ FINN-kode: 426534234





