Fiks ferdig
Bildegalleri
Nytt styrekort som erstatter originalt kort.
(1/9)
Lars Berg Capri, Redningsselskapet Kronespill/Knipsekasse styrekort.
Til salgs
2 500 kr
Beskrivelse av varen
Tilstand: Helt ny - Uåpnet/med lapp
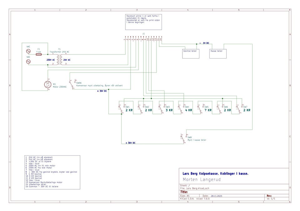
Har nå laget Arduino basert styrekort til Lars Berg Capri kassen. 2500,- 2 modifikasjoner må til på automaten for å bruke dette kortet, denne styrer og telleverkene, disse generer støy, så der må det loddes på en sperre diode over spolen på begge telleverkene. En ledning må flyttes fra NC på den siste 2KR bryteren til NO på 7 kr bryteren. Dioder og ledning følger med, samt skjema med forklaring på modifikasjonen.
Morten Langerud Mob: 91384464
Funksjonstest av styrekortet https://www.youtube.com/watch?v=kxzdRx7fHkY&ab_channel=MortenLangerud
NB: Knappen for å vise hele beskrivelsen har kun en visuell effekt.
Brukerprofil
Du må være logget inn for å se brukerprofiler og sende meldinger.
Logg innAnnonsens metadata
Sist endret: 21.9.2025 kl. 13:53 ・ FINN-kode: 346082940











