Bildegalleri

Elverum - Stor industrieiendom leies ut i sin helhet eller oppdelt. Ca 12.500 m2 med 87 måls tomt.
Nøkkelinfo
- Areal
- 250 - 12 500 m²
- Bruksareal
- 12 500 m²
- Tomt
- Eiet
- Byggeår
- 1960
Type lokale
Arealspesifikasjon
250 kvm Lager
12250 kvm Lager
Kort om eiendommen
Tidligere Sperre Støperi-eiendommen er fra høsten 2024 klare for ny leietager og ny aktivitet. Eiendommen har en rik historie som strekker seg tilbake til 1960.
Eiendommen ligger i et veletablert industriområde på vestsiden av Glomma i Elverum kommune.
Elverum er administrasjonssenteret i Østerdalen og har en befolkning på 20.000 innbyggere. Innenfor 1 times kjøring er det tilgang på en befolkning på 160.000.
Eiendommen ligger helt innerst i industriområdet og har et tomteareal på 87,5 mål.
Bygningsmassen er tilpasset den driften som har vært på eiendommen med produksjonslokaler, kontorlandskap, garderobe, kantine og lager.
Til sammen er arealet på 12.389 kvm pluss et kaldtlager på 224 kvm.
87 p-plasser til ansatte og kunder utenfor hovedinngangen.
Kontordelen med sosiale rom (garderobe, dusj og kantine) er på totalt 1.200 kvm og har en enkel, men funksjonell standard.
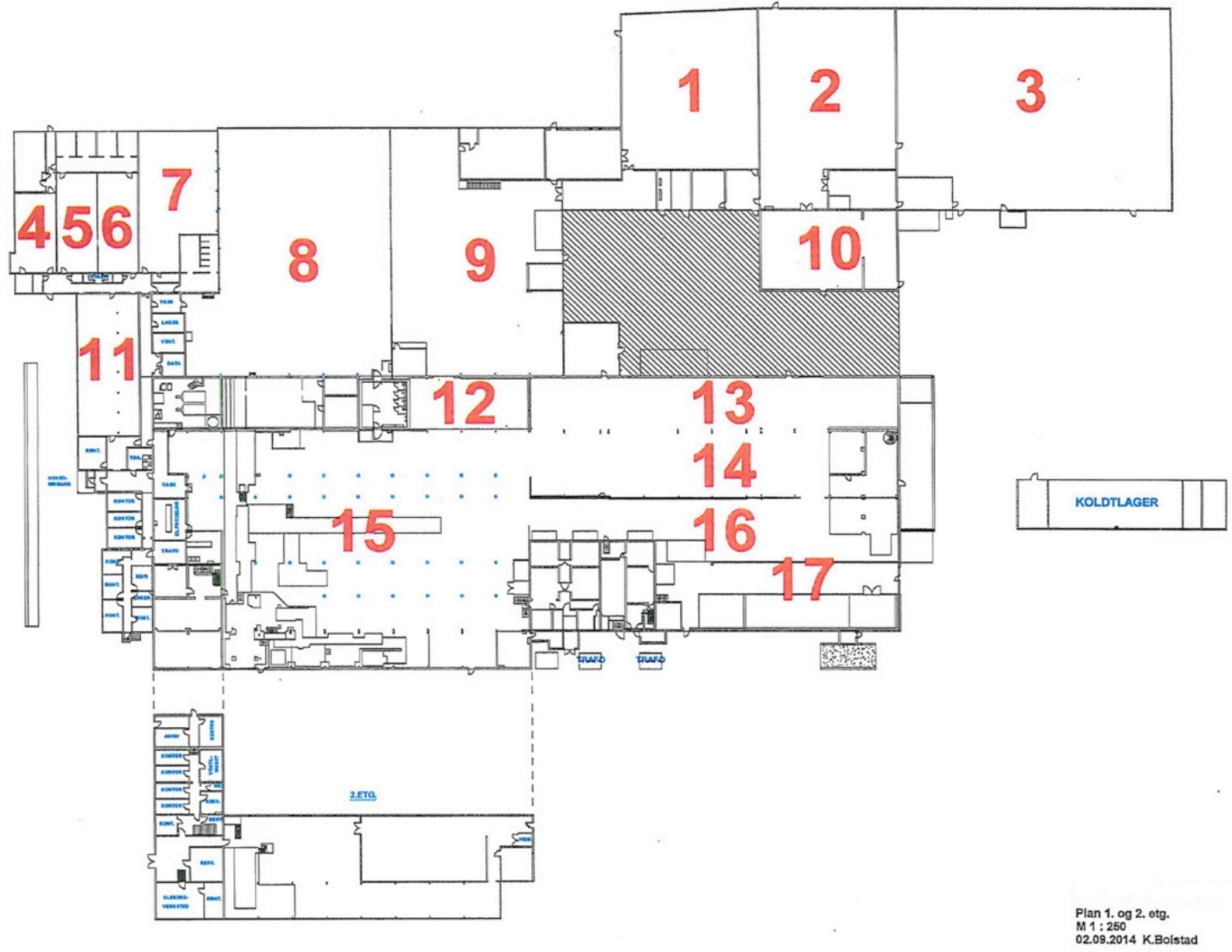
Produksjonslokalene (avmerket 13,14,15 og 16 i plantegningen) er på ca 1.900 kvm og har en takhøyde på 7,5 meter.
Lagerlokalene (avmerket 1,2,3,8,9 i plantegningen) er lagerlokaler på til sammen 4.100 kvm og har en takhøyde på mellom 5 og 6 meter.
Det er meget gode lagringsmuligheter på eiendommen med tilgang på større kjøreporter.
Eiendommen ligger under reguleringsplan for "Støperitomta" vedtatt 21.09.1998 og er regulert til industri.
Matrikkelinformasjon
Visning
Ta kontakt for å avtale visning.
Innlandet Næringsmegling AS
Nærområdet
Annonseinformasjon
| FINN-kode | 440966574 |
|---|---|
| Sist endret | 08. des. 2025 07:57 |
| Referanse | INM7.2368 |
Annonsene kan være mangelfulle i forhold til lovpålagt opplysningsplikt. Før bindende avtale inngås oppfordres interessenter til å innhente komplett informasjon fra meglerforetaket, selger eller utleier.
















































