Bildegalleri

Ilaveien-122 -124
Fredrikstad - Åsebråten. Godkjent institusjon med 18 beboelsesrom 2 leiligheter, kontorer/behandlingsrom. Til leie!
Nøkkelinfo
- Areal
- 1 208 m²
- Bruttoareal
- 1 208 m²
- Tomteareal
- 2 083 m² (eiet)
- Byggeår
- 1926
Type lokale
| Kort om eiendommen
Perfekt eiendom for institusjon, da den har vært benyttet til formålet av Fredrikstad kommune frem til i dag.
| Bebyggelse
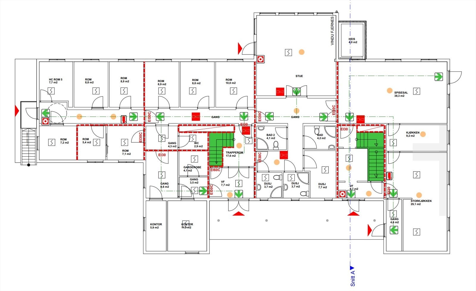
Hovedbygg: 3 etasjes institusjon med heis. BRA 1026 kvm
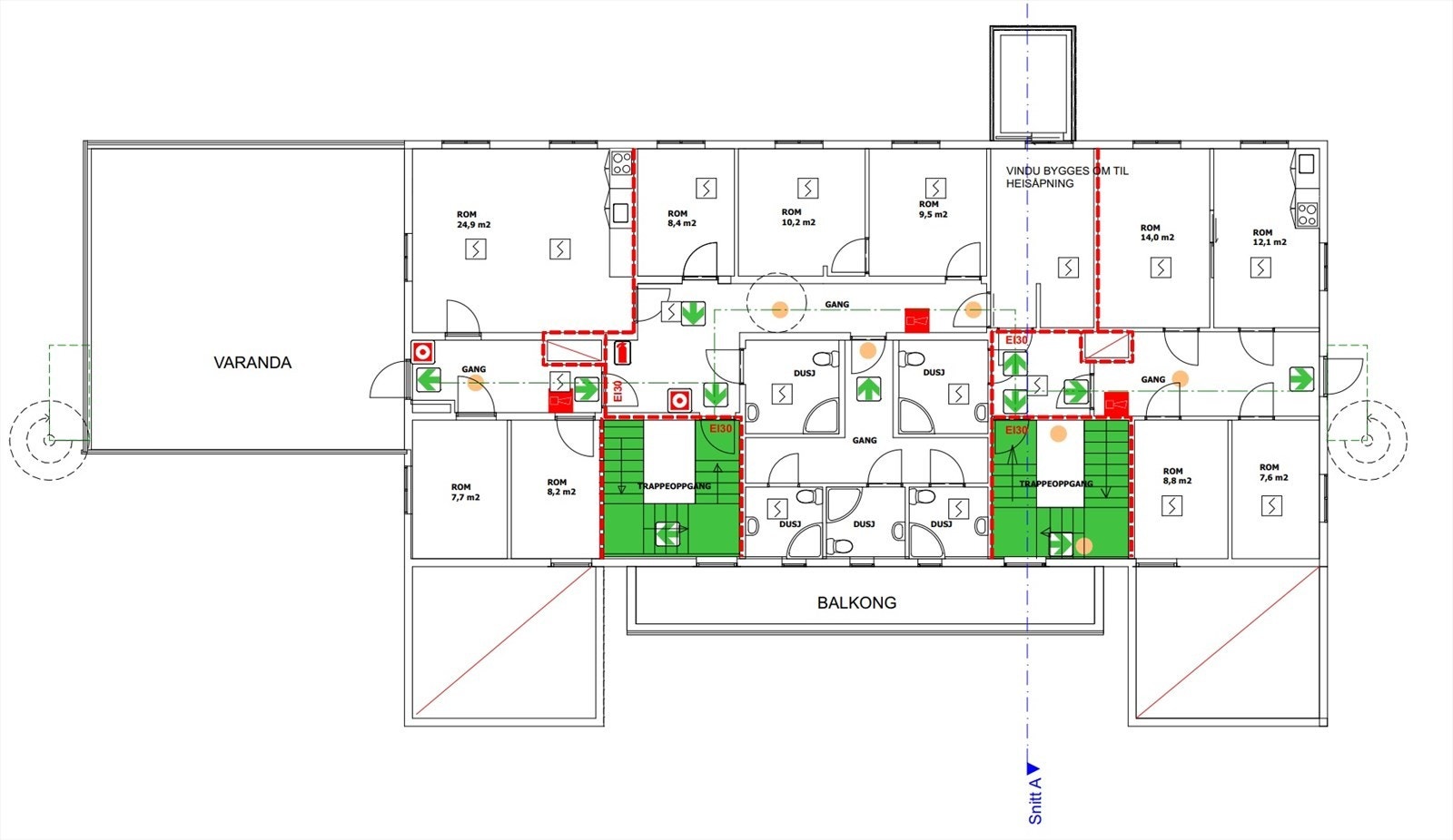
Sidebygg: Horisontaldelt 2 mannsbolig benyttet som besøksbolig.
| Innhold
Areal 1: Hovedbygg: BTA 1 026 kvm: 18 beboelsesrom, kjøkken fasiliteter, bad/wc, kontorer/behandlingsrom og sosiale soner tilpasset antall beboelsesrom.
Areal 2: Sidebygg: BTA 182 kvm. 2 3 -roms leiligheter tidligere benyttet som besøks bolig for foresatte.
| Beliggenhet
Eiendommen ligger rett ved marka grensa, med kort avstand til Bjørndalsdammene og inngangen til Fredrikstadmarka. Ca 2 km til Fredrikstad sentrum.
| Adkomst
Beliggende i enden av Ilaveien, tidligere Åsebråtveien.
Fv 109 Rolvsøyveien, rundkjøring ved Wilbergjordet, følg Gamle Kirkevei over brua, ta til høyre inn i Ilaveien.
| Parkering
P-plasser for sykkel: 30
Parkeringsplasser: 11
| Regulering
Område O3 er regulert til offentlig bebyggelse, institusjons boliger. Maksimalt tillatt bebygd areal er 20% BYA av områdets areal. Bygninger kan oppføres med
mønehøyde inntil 10m over ferdig planert terreng ved gavlvegg målt 1m fra veggliv. Møneretning skal være i byggets lengderetning. Minimum 20% av området, eventuelt hver enkelt tomt, skal opparbeides parkmessig og kunne nyttes til opphold og lek.
| Standard
Perfekt eiendom for institusjon, da den har vært benyttet til formålet av Fredrikstad kommune frem til i dag. Eiendommen har 18 beboelsesrom 2 leiligheter, kontorer, behandlingsrom, sosiale soner.
| Tekniske installasjoner
Heis
| Beskrivelse av tomt
Opparbeidet med parkering og planarealer
| Ventilasjon
Balansert mekanisk ventilasjon med varmegjenvinning.
| Energimerking
Energimerking foreligger ikke.
Ytterligere opplysninger om energimerking finner du på www.energimerking.no
| Lovanvendelse
Ved utleie vil meglers leiekontrakt bli benyttet. Husleielovens vil bare i begrenset utstrekning kunne påberopes av Leietaker. Kontakt vårt kontor for nærmere opplysninger og gjennomlesing av avtalen.
Utleier forbeholder seg her bl.a. retten til å kunne registrere utleievirksomheten i merverdiregisteret.
Eml. §§ 4-4, 6-2, 6-7, 6-10, 7-1 og 8-8 fravikes ved dette oppdraget.
Lov om hvitvasking
Eiendomsmeglere er underlagt lov om hvitvasking. Dette innebærer at oppdragsansvarlig har plikt til å melde fra til Økokrim om eventuelle mistenkelige transaksjoner.
| Hvitvaskingsloven
Hvitvaskingsregelverk
I henhold til Lov av 6. mars 2009 nr. 11 om tiltak mot hvitvasking og terrorfinansiering (Hvitvaskingsloven) er megler pliktig å gjennomføre kundetiltak av både oppdragsgiver og kjøper.
Dette innebærer blant annet plikt for meglerforetaket til å bekrefte identiteten til kjøper på grunnlag av gyldig legitimasjon. Samt plikt til å foreta kontroll av eventuelle reelle rettighetshavere. Der kjøper opptrer i henhold til fullmakt må også fullmaktsgivers identitet bekreftes på grunnlag av gyldig legitimasjon. Kundetiltak av kjøper, skal senest skje på kontraktsmøtet.
Dersom budgiver opptrer i henhold til fullmakt, må fullmakten fremlegges samtidig som bud inngis. Dersom kjøper er en juridisk person, plikter kjøper å fylle ut og returnere egne kundekontrollskjemaer før kontraktsmøtet. Firmaattest eller fullmakt må fremlegges samtidig som det inngis bud.
Dersom kundetiltak ikke kan gjennomføres kan ikke meglerforetaket bistå med gjennomføring av handelen, herunder ikke foreta oppgjør. Meglerforetaket er videre forpliktet til å rapportere mistenkelige transaksjoner til Økokrim. Med mistenkelig transaksjon menes transaksjon som mistenkes å involvere utbytte fra straffbar handling eller som skjer som ledd i terrorfinansiering. Manglende mulighet for kundetiltak kan også være et forhold som gjør transaksjonen mistenkelig. Det kan ikke gjøres ansvar gjeldende motmeglerforetaket som følge av at meglerforetaket overholder sine plikter etter Hvitvaskingsloven.
Matrikkelinformasjon
Visning
Ta kontakt for å avtale visning.Metra Næringsmegling AS
Nærområdet
Annonseinformasjon
| FINN-kode | 436490408 |
|---|---|
| Sist endret | 10. nov. 2025 10:40 |
| Referanse | MTRA2.2518 |
Annonsene kan være mangelfulle i forhold til lovpålagt opplysningsplikt. Før bindende avtale inngås oppfordres interessenter til å innhente komplett informasjon fra meglerforetaket, selger eller utleier.
































