Bildegalleri
TechLift S2E sakseløfter, løftebukk, 100% elektrisk
Beskrivelse av varen
TechLift S2E sakseløfter / løftebukk med 1 meter løftehøyde. Løftebukken har mekanisk låsing som aktiveres automatisk når løftebukken heves. Den kan monteres fast i gulv, men det er ikke et krav. Kan leveres med hjulsett for enkel flytting når løftebukken ikke brukes. Koster 952,- eks mva. Denne er 100% elektrisk, og trenger da ikke trykkluft, slik de fleste andre slike løftebukker må ha. Denne har elektriske solenoider på låsene istedenfor luftsylindere.
Denne løftebukken låser allerede fra ca 58cm høyde, slik at den ikke trenger være løftet helt til topps for å være sikret. Den har også et pendeloppheng på sylinderene, som gjør at den blir sterkere og roligere i bunn sammenlignet med de fleste konkurrerende sakseløftere.
Pris: 14 392,- eks. mva. (17 990,- ink mva)
Dessverre tomt på lager. Nye ventes inn i starten på november.
- Løftehøyde: 1000 mm
- Minimumshøyde: 105 mm
- Løftekapasitet: 3000 kg
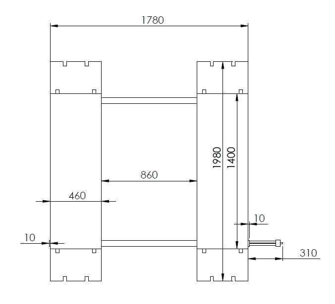
- Bredde: 1780 mm
- Bredde plattformer: 460 mm
- Lengde plattformer: 1400 mm
- Lengde ink. påkjøringsramper: 1980 mm
- Vekt: 440 kg
- El tilkobling: 230v/50hz (krever 16A treg kurs)
- Kan leveres med hjulsett for enkel flytting. (koster 952,- eks mva)
- Leveres med 5 meter ledning og støpsel
- Norsk brukermanual
- Leveres med CE sertifikat og samsvarserklærling
- Nye kraftigere påkjøringsramper. Tåler enda bedre løft på rampene.
- Alle TechLift produkter har 2 års garanti. Ved privatkjøp er det i tillegg 5 års reklamasjonsrett.
10L hydraulikkolje kan leveres med for 399,- (eks mva)
Gode fraktavtaler med både bil og båt i hele landet. Ta kontakt for frakttilbud, eller beregn frakt selv i nettbutikken på www.efmotor.no
Eksempelpriser frakt ink mva:
Oslo: 800,-
Bergen/Trondheim: 1200,-
Kristiansand: 1100
Tromsø: 2200,-
Ålesund: 1300,-
Ta kontakt på tlf: 97659341 eller info@efmotor.no for mer info eller bestilling. Ring gjerne også på kveldstid eller helg.
Brukerprofil
Bedrift uten avtale
Du må være logget inn for å se brukerprofiler og sende meldinger.
Logg innAnnonsens metadata
Sist endret: 22.9.2017 kl. 16:55 ・ FINN-kode: 63742091





